Bosch AKE 40-19 S (3600H36F00-EU)

Bosch AKE 40-19 S (3600H36F00-EU)
Producător: BOSCH CASA SI GRADINA
Cod produs: 3600H36F00

Schitele sunt conforme cu produse comercializate de producatori in Romania. Va rugam sa alegeti schita corect dupa denumire si cod produs. In cazul in care nu sunteti sigur de modelul schitei sau codul piesei va rugam sa contactati un reprezentat SERVICE EVOSTORE la numerele de mai sus sau prin email.
Piesele comandate ONLINE (originale), sunt compatibile cu schitele prezentate si NU SUNT RETURNABILE.
Piesele aduse pe baza de comanda speciala sau externa sunt NERETURNABILE.
Piesele au garantie doar daca sunt montate in SERVICE EVOSTORE sau cele agreate de producator.
Dupa plasarea comenzii va rugam sa asteptati confirmarea disponibilitatii pieselor pentru a finaliza comanda.

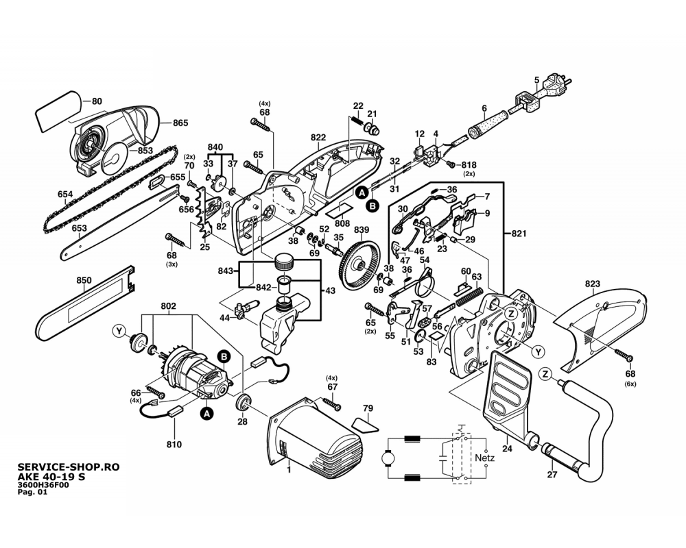
Ferastrau cu lant (drujba) Bosch AKE 40-19 S (3600H36F00-EU)


ACCESORII SCULE si UTILAJE
Descriere Pozitie Buc Pret Cantitate
Set de perii de carbune Bosch 1607014170 Set de perii de carbune Bosch 1607014170
1607014170
810 1 40,67 Lei
- +

IMPORTANT: In cazul in care piesele de schimb de care aveti nevoie nu se regasesc in lista de mai sus va rugam sa ne contactati la adresa de email service@evostore.ro unde un consultant SERVICE EVOSTORE va va raspunde in cel mai scurt timp.

PIESE DE SCHIMB & SERVICE 48H © 2006 - 2026 | CUI: RO19123284 / Reg.Com.: J40/16756/2006 | EVOSTORE ROMANIA
EVOSTORE ROMANIA este operator de date cu caracter personal inregistrat la ANSPDCP, sub numarul 27926 | ANPC
EVOSTORE ROMANIA EVOSTORE ROMANIA
EVOSTORE ROMANIA
OFERTE SPECIALE
2HELPU.RO
SERVICE SHOP INSTAGRAM
SERVICE SHOP FACEBOOK
SERVICE SHOP YOUTUBE
ADRESE SERVICE EVOSTORE
0744.697694