Bosch GBM 6 RE (0601145565-EU)

Bosch GBM 6 RE (0601145565-EU)
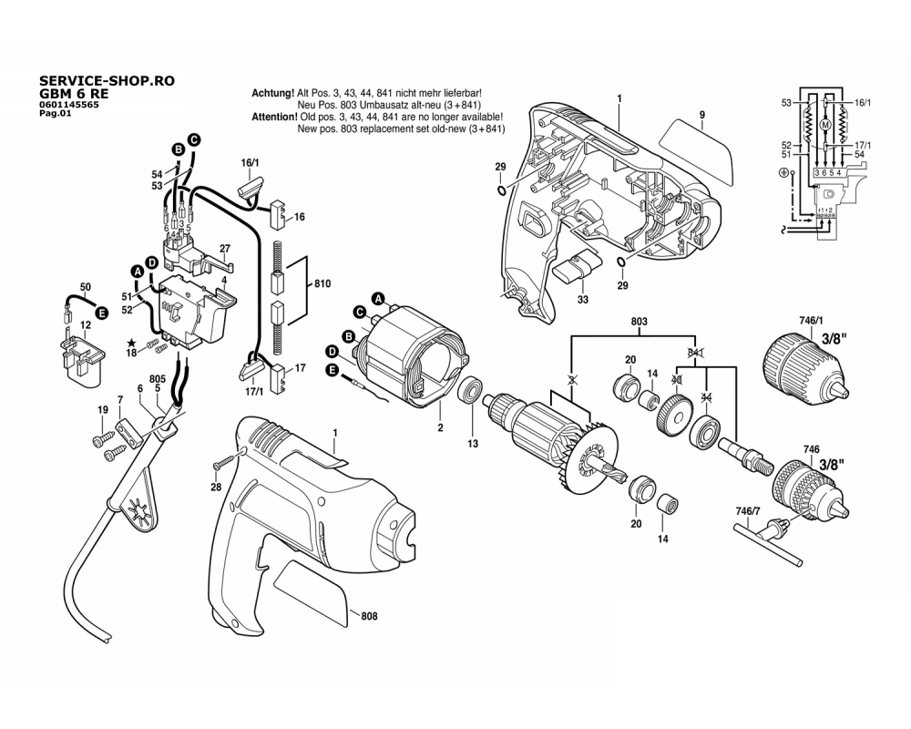
Producător: BOSCH PROFESIONAL
Cod produs: 0601145565

Schitele sunt conforme cu produse comercializate de producatori in Romania. Va rugam sa alegeti schita corect dupa denumire si cod produs. In cazul in care nu sunteti sigur de modelul schitei sau codul piesei va rugam sa contactati un reprezentat SERVICE EVOSTORE la numerele de mai sus sau prin email.
Piesele comandate ONLINE (originale), sunt compatibile cu schitele prezentate si NU SUNT RETURNABILE.
Piesele aduse pe baza de comanda speciala sau externa sunt NERETURNABILE.
Piesele au garantie doar daca sunt montate in SERVICE EVOSTORE sau cele agreate de producator.
Dupa plasarea comenzii va rugam sa asteptati confirmarea disponibilitatii pieselor pentru a finaliza comanda.

IMPORTANT: In cazul in care schitele de care aveti nevoie nu se regasesc in lista de mai sus va rugam sa ne contactati la adresa de email service@evostore.ro unde un consultant SERVICE EVOSTORE va va raspunde in cel mai scurt timp.

PIESE DE SCHIMB & SERVICE 48H © 2006 - 2026 | CUI: RO19123284 / Reg.Com.: J40/16756/2006 | EVOSTORE ROMANIA
EVOSTORE ROMANIA este operator de date cu caracter personal inregistrat la ANSPDCP, sub numarul 27926 | ANPC
EVOSTORE ROMANIA EVOSTORE ROMANIA
EVOSTORE ROMANIA
OFERTE SPECIALE
2HELPU.RO
SERVICE SHOP INSTAGRAM
SERVICE SHOP FACEBOOK
SERVICE SHOP YOUTUBE
ADRESE SERVICE EVOSTORE
0744.697694