Bosch PWS 7-115 (0603402003-EU)

Bosch PWS 7-115 (0603402003-EU)
Producător: BOSCH VERDE
Cod produs: 0603402003

Schitele sunt conforme cu produse comercializate de producatori in Romania. Va rugam sa alegeti schita corect dupa denumire si cod produs. In cazul in care nu sunteti sigur de modelul schitei sau codul piesei va rugam sa contactati un reprezentat SERVICE EVOSTORE la numerele de mai sus sau prin email.
Piesele comandate ONLINE (originale), sunt compatibile cu schitele prezentate si NU SUNT RETURNABILE.
Piesele aduse pe baza de comanda speciala sau externa sunt NERETURNABILE.
Piesele au garantie doar daca sunt montate in SERVICE EVOSTORE sau cele agreate de producator.
Dupa plasarea comenzii va rugam sa asteptati confirmarea disponibilitatii pieselor pentru a finaliza comanda.

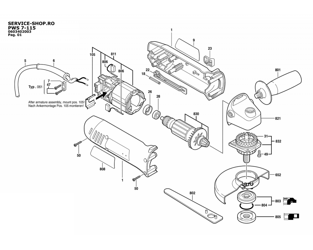
Polizor unghiular Bosch PWS 7-115 (0603402003-EU)


ACCESORII SCULE si UTILAJE
Descriere Pozitie Buc Pret Cantitate
Set de perii de carbune Bosch 1607000994 Set de perii de carbune Bosch 1607000994
1607000994
806 1 35,59 Lei
- +
Stator 220-240V Bosch 1607000723 Stator 220-240V Bosch 1607000723
1607000723
811 1 145,20 Lei
- +
Rotor 240V (PWS 600 / PWS 650 / PWS 7-125) Bosch 1607000990 Rotor 240V (PWS 600 / PWS 650 / PWS 7-125) Bosch 1607000990
1607000990
830 1
indisponibil

IMPORTANT: In cazul in care piesele de schimb de care aveti nevoie nu se regasesc in lista de mai sus va rugam sa ne contactati la adresa de email service@evostore.ro unde un consultant SERVICE EVOSTORE va va raspunde in cel mai scurt timp.

PIESE DE SCHIMB & SERVICE 48H © 2006 - 2026 | CUI: RO19123284 / Reg.Com.: J40/16756/2006 | EVOSTORE ROMANIA
EVOSTORE ROMANIA este operator de date cu caracter personal inregistrat la ANSPDCP, sub numarul 27926 | ANPC
EVOSTORE ROMANIA EVOSTORE ROMANIA
EVOSTORE ROMANIA
OFERTE SPECIALE
2HELPU.RO
SERVICE SHOP INSTAGRAM
SERVICE SHOP FACEBOOK
SERVICE SHOP YOUTUBE
ADRESE SERVICE EVOSTORE
0744.697694